- 8 (812) 612-97-27
- СПБ, Курчатова дом 1А помещение 1Н
- order@das-elektro.ru
В статье рассматриваются основные свойства карбидокремниевых полупроводниковых приборов. Приводятся примеры их применения. акцент сделан на полевых транзисторах с p-n-переходом.
Преимущества карбидокремниевых (SiC) полупроводниковых приборов описаны довольно подробно, поэтому мы не будем на них останавливаться, но лишь упомянем главные из них:
- широкая запрещенная зона, позволяющая увеличить максимально допустимое напряжение;
- теплопроводность SiC в 3–3,5 раза выше, чем у кремния (Si);
- сопротивление канала на единицу площади RdsA у SiC заметно ниже, чем у Si.
Благодаря этим свойствам в настоящее время выпускаются SiC FET с планарной и trench-структурами с максимально допустимым напряжением 650–1700 В. Можно утверждать, что SiC FET с номинальным напряжением до 1200 В безоговорочно выигрывают у IGBT по всем показателям. Номинальное напряжение 1200 В является граничным значением, начиная с которого потери на проводимость в IGBT при больших токах могут оказаться ниже, чем у SiC FET. Однако потери на коммутацию у IGBT в любом случае выше, чем у SiC FET. Недостатком SiC FET является относительно низкая подвижность носителей.
В схемах с жесткой коммутацией SiC FET и SiC-диоды заметно выигрывают у кремниевых аналогов из-за меньших потерь, особенно при коммутации в режиме непрерывного тока за счет гораздо меньшего заряда обратного восстановления (QRR) у SiC-диодов. В схемах с мягким переключением SiC FET выигрывают у кремниевых аналогов за счет меньшей величины общей емкости COSS, что позволяет увеличить рабочую частоту. за счет улучшения динамических свойств SiC FET можно увеличить скорость изменения напряжения до 100–200 В/нс, не меняя время жизни носителей заряда. Меньшее сопротивление отрытого канала RDS(ON) также играет на стороне SiC FET.
Еще одним преимущес твом SiC FET является гораздо меньшая зависимость порогового напряжения затвора VTH от температуры. Эта особенность, а так же гораздо лучшая теплопроводность и, следовательно, большая рассеиваемая мощность позволяет использовать данные приборы в устройствах защиты электрических цепей от экстратоков и токов короткого замыкания. Особенно выгодно использование в этих случаях SiC JFET (полевые транзисторы с pn-переходом) – у них минимальное сопротивление открытого канала RDS(ON) и отличная способность рассеивать энергию.
Заметим, что SiC JFET несколько недооценены разработчиками. Компания UnitedSiC использует каскодную схему, в которой высоковольтный SiC JFET включен последовательно с быстрым низковольтным Si MOSFET. Схема каскода показана на рисунке 1: в одном корпусе установлены 25-В SiC MOSFET и высоковольтный SiC JFET. В отличие от случаев, когда драйвер управляет затвором высоковольтного прибора, в каскодной схеме время коммутации ключа плохо управляется с помощью резистора затвора. Компания UnitedSiC предлагает ключи с разным временем коммутации, отрегулированном еще на этапе производства.
Соединив последовательно пять подобных каскодов, в каждый из которых входит 1700-В SiC JFET, компания получила полумостовой модуль с нормированным напряжением 6500 В и максимальным током 200 А. Устройство управляется напряжением 0–12 В. Из-за низкого заряда затвора Qg не требуются отдельные цепи для включении и выключения ключа, как это делается для управления IGBT или высоковольтными SiC MOSFET.
На рисунке 2 схематично с соблюдением масштаба показаны 650 -В структуры кремниевого Si MOSFET с суперпереходом с вертикальным каналом GaN HEMT FET с боковым каналом и низковольтный Trench MOSFET с Trench SiC JFET, составляющие каскод (см. рис. 1). Касательно этих приборов на сегодняшний день справедливы следующие значения параметров. Сопротивление канала на единицу площади RdsA у GaN HEMT FET составляет 3–6 мОм∙см2, у SiC Trench MOSFET и планарных MOSFET эта величина колеблется в пределах 2–4 мОм∙см2, а у SiC JFET компании UnitedSiC сопротивление RdsA удалось снизить до 0,75 мОм∙см2. Соответственно, уменьшились размеры кристалла (см. рис. 1) и, следовательно, его стоимость и паразитная емкость. У ключей GaN HEMT FET – отличные динамические характеристики, но эти ключи еще заметно дороже SiC-приборов.
Улучшение рабочей частоты, уменьшение длительности фронтов приводит к появлению звона и увеличению длительности колебательного переходного процесса и, следовательно, к увеличению потерь. Уменьшить эти негативные последствия можно за счет уменьшения паразитных индуктивностей и емкостей силового каскада. Наилучшим образом это достигается при интегрировании в одном корпусе драйвера затворов и силовых ключей. На рисунке 3 показан пример такой интеграции от компании Apex: полумостовой каскад, составленный из ключей SiC JFET с нормированным напряжением 1200 В и сопротивлением открытого канала RDS(ON) = 35 мОм, встроен в корпус с драйвером затворов. Размер корпуса: 32×29 мм.
На рисунке 4 показаны осциллограммы работы этой полумостовой схемы. Как видно из рисунка, существенные перенапряжения не возникают ни в процессе открытия, ни в процессе закрытия ключей; отсутствует и колебательный переходный процесс, обычно возникающий при коммутации.
Рисунок 1
Рисунок 2


Схема каскода SiC JFET
а) 650-В структуры Si MOSFET; б) GaN HEMT FET; в) низковольтный Trench Si MOSFET с Trench SiC JFET, составляющие каскод
Рисунок 3
Рисунок 4


Интегрированный в один корпус полумостовой каскад SiC JFET и драйвер затвора
Осциллограммы работы полумостовой схемы на рисунке 3
Увеличение максимального напряжения прибора достигается либо путем увеличения размера кристалла, либо с помощью последовательного соединения нескольких модулей. В таблице представлены значения сопротивления канала на единицу площади RdsA у SiC. Таким образом, чтобы получить к люч с максимально допус тимым напряжением 6500 В и сопротивление RdsA = 12 мОм, требуется либо включить параллельно четыре кристалла на напряжение 6500 В, либо соединить последовательно четыре кристалла на напряжение 1700 В. Разумеется, последний вариант предпочтительнее - он гораздо экономичнее и обеспечивает лучшие параметры.
Рисунок 5
Рисунок 6


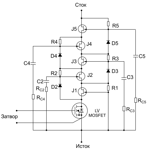
Схема суперкаскода
Конструктив суперкаскода
таблица

Сопротивление канала на единицу площади RdsA у SiC
Исходя из этих соображений, компания UnitedSiC создала суперкаскод, схема которого приведена на рисунке 5. Он состоит из четырех последовательно соединенных 1700-В кристаллов SiC JFET. заметим, что каскод управляется одним драйвером затвора. Конструктивное исполнение суперкаскода показано на рисунке 6. Аналогичное решение можно использовать и для построения высоковольтного ключа из SiC MOSFET, но при этом придется использовать четыре драйвера затвора с малым разбросом времени распространения сигнала.
Помимо SiC MOSFET широко распространены SiC-диоды с нормированным обратным напряжением 650, 1200 и 1700 В. Их заряд обратного восстановления QRR в SiC-диодах Шоттки заметно меньше, чем у кремниевых аналогов. Следовательно, существенно сократятся потери EON при жесткой коммутации в режимах непрерывного тока.
Чтобы повысить стойкость SiC-диодов Шоттки к перенапряжениям, производители добавляют в диоды области с pn-переходами, которые уменьшают утечки и повышают стойкость к перенапряжениям. В общем случае слабым местом всех SiC-диодов является плохая устойчивость к всплескам напряжения. Падение напряжения на них достигает 4–6 В, тогда как у кремниевых диодов эта величина обычно не превышает 2–2,5 В. Учитывая, что размер кристалла SiC-диода невелик, всплески напряжения могут привести к перегреву.
Устранить этот недостаток удается за счет использования более тонких пластин; при этом уменьшается падение напряжения на диоде, и уменьшатся тепловое сопротивление. Кроме того, используются более совершенные методы корпусирования в корпусах TO и DFN, позволяющие заметно уменьшить тепловое сопротивление «кристалл–корпус». Все эти меры обеспечили устойчивость SiC-диодов к 8–12-кратным перегрузкам по току.
В заключение заметим, что поводом для статьи послужил, на наш взгляд, некоторый перекос в профессиональных СМИ в сторону SiC MOSFET и практически полное невнимание к полевым транзисторам с pn-переходом SiC JFET. Мы постарались очень кратко пояснить, отчего такое положение дел кажется нам несправедливым. Надеемся, читатели хотя бы отчасти разделят нашу точку зрения.
Корзина пуста
0
шт.
/
$0
Оформить
Очистить
